Yamataha-GLD-12
.jpg)
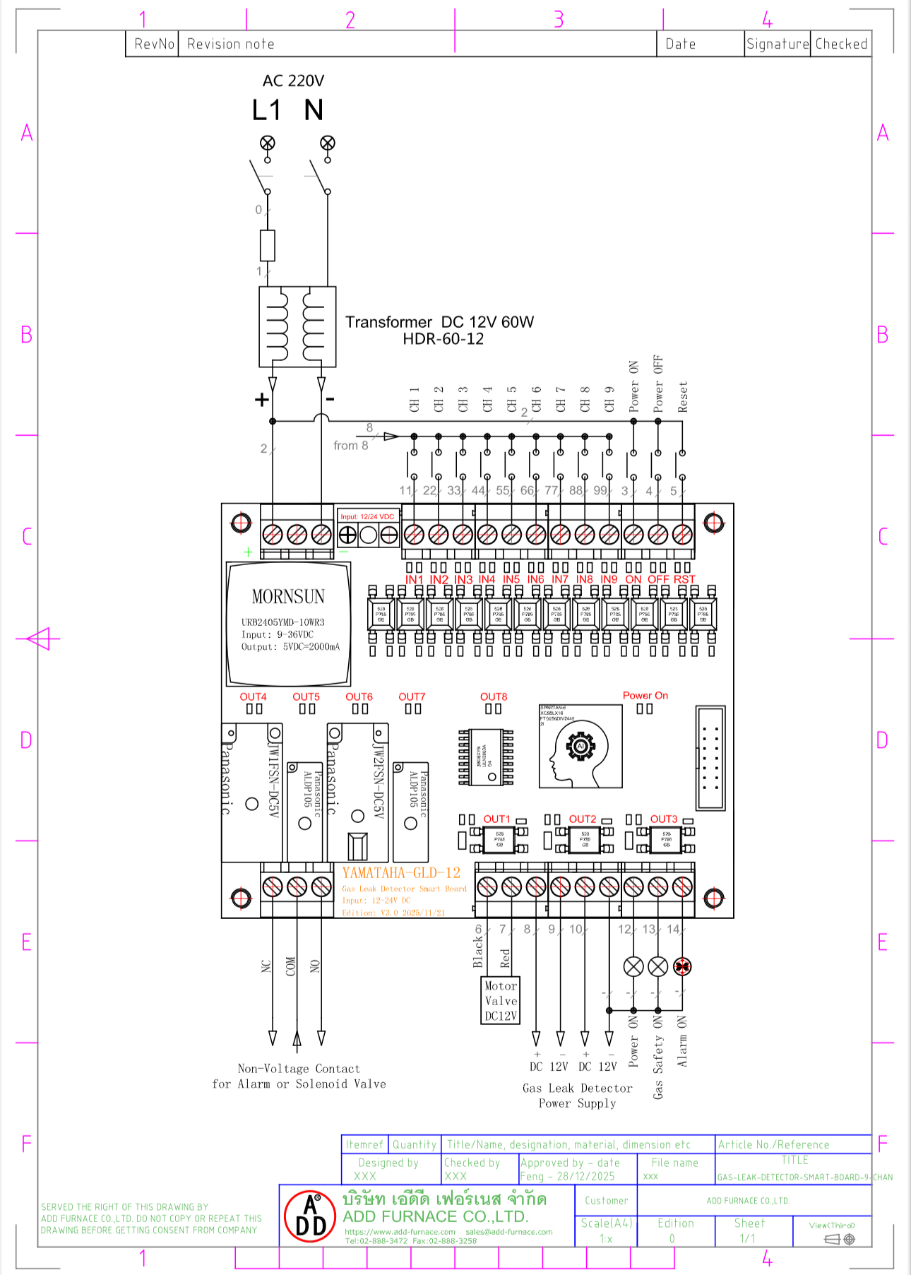
- เครื่องตรวจจับการรั่วของแก๊สสมาร์ทบอร์ดGas Leak Detector Smart Board:
- YAMATAHA-GLD-12(Yamataha GLD 12)
- รุ่นType:YAMATAHA-GLD-12
- จับแก๊สรั่ว ความเร็วปฏิกิริยาreaction speed:0.01s (Seconds)
- สามารถตรวจจับแก๊สรั่วสูงสุดได้ถึง 9 จุด( 9 ชาแนล)
- Max inlet Gas Leak Detector 9point(9Chanel)
- แหล่งจ่ายไฟPower Supply: DC 12V(Safety Voltage),Explosion Proof Type
- วิธีการเตือนภัยAlarm 2 method:
- 1.Non-Voltage Contact(Alarm or Solenoid Valve Close)
- 2.DC 12V(Motor Valve, Actuator Valve) Safety Voltage
- Temperature: -20..60'C
ตู้คอลโทรลควบคุมตรวจจับแก๊สรั่วหลายจุด2,3,5,4,6จุดYamataha-GLD-09 Wiring Layout(Manual)- Cpu Brand Type: Xilinx Spartan-6 FPGA(Made in U.S.A)
- ประเภทชิปChip Type: FPGA
- แบรนด์ชิปChip Brand: Xilinx(Made in U.S.A)
- Brand: Yamataha
- Application:
- ควบคุมตรวจจับแก๊สรั่ว9จุด(โซลินอยด์วาล์ว)Yamataha-GLD-12 9Point Application With Gas Solenoid Valve
- สามารถตรวจจับแก๊สรั่วได้หลายจุด เช่น ควบคุมตรวจจับแก๊สรั่ว 2-9จุด,และตามเสปคที่ลูกค้าต้องการ
- ไฟเข้าตู้ควบคุม 220 โวลต์ และปล่อย DC 12V โวลต์ เลี้ยงอุปกรณ์ตรวจจับแก๊สรั่วและมอเตอร์วาล์ว
- เพื่อเพิ่มความปลอดภัยต่อผู้ใช้งาน ในกรณีไฟช๊อต และ ป้องกันการระเบิดของอุปกรณ์
- ป้องกันแก๊สระเบิดกรณีกระแสไฟ 220V รั่ว,เช่นถ้าอุปกรณ์ตรวจจับแก๊สรั่วจับแก๊สได้ไม่ทันท่วงที จะทำให้แก๊สระเปิดได้.
- สามารถใช้งานได้ทั้งแบบอัติโนมัติ และแมนนอล (ในกรณีฉุกเฉินไฟดับ).
- คุ้มค่าต่อการใช้งานราคาย่อมเยาว์ พร้อมสนองความต้องการของลูกค้า.
- สำหรับเซฟตี้(ความปลอดภัย) ในห้องครัว ศูนย์อาหาร ในห้างและโรงแรม.
- Power support: 220V AC
- โซลินอยด์วาล์วแก๊สการระเบิดExplosion Proof Gas Solenoid Valve: 220V AC(ลูกค้าสามารถเลือกใช้อย่างไรอย่างหนึ่ง๗)
- Motor Valve: DC 12V (1/2" or 3/4",1")(ลูกค้าสามารถเลือกใช้อย่างไรอย่างหนึ่ง)
- Gas Leak Detector device all DC 12VDC(Safety Voltage)
- ประกอบ: บริษัท เอดีดี เฟอร์เนส จำกัด(Add Furnace Co.,Ltd.)
- brand: EWOO, Hankook, SOOSAN
Related Links:
YAMATAHA-GLD-09
เครื่องตรวจจับการรั่วของแก๊สสมาร์ทบอร์ด
Gas Leak Detector Smart Board

Appicable detector gases: LPG,CNG
Sensible range:0~100%(LEL)
Origin: Korea
Gas Leak Detector EW401

Appicable detector gases: LPG,CNG
Sensible range:0~100%(LEL)
Origin: Korea
Gas Leak Detector EW403

Explosion proof Type: Exd IIB T6
Origin: Korea
Gas Sensor Model: EWEX IIB 100

Ewoo Gas Detector Explosion Proof
Origin: Korea
EW401 Sensor Gas Leak Detector Sensor

1Box Control
DC 12VDC(Safety Voltage)
ตู้คอลโทรลจับแก๊สรั่ว3 จุดใช้กับโซลินอยวาล์ว

Appicable Detector Gas: LPG,CNG,LNG
Input AC 220V,Output: DC12V
EW301-0

Detector Gas: LPG,CNG
Input AC 220V, Output: Relay
EW301R

DB-365R
Input DC12V,Output: Relay

Auto, manual control
Input DC12~24V Size:3/4"
GAS SHUTOFF DEVICE ED-704

Electric Valve Actuator Model EW201S
brand:EWOO

.jpg)
.jpg)



/yamataha-gld-09-wiring-layout (5).jpg)
/yamataha-gld-09-wiring-layout (6).jpg)
/yamataha-gld-09-wiring-layout (7).jpg)
/yamataha-gld-09-wiring-layout (8).jpg)
.jpg)
.jpg)
.jpg)
.jpg)
.jpg)
.jpg)
.jpg)
.jpg)
.jpg)
.jpg)
.jpg)
.jpg)
.jpg)
.jpg)
.jpg)
.jpg)
.jpg)
.jpg)
.jpg)
.jpg)
.jpg)
.jpg)
.jpg)
.jpg)
.jpg)
.jpg)
.jpg)
.jpg)
.jpg)
.jpg)
.jpg)
.jpg)