Burner Controller KB-5050C
.jpg)
- Burner Controller: Burner Controller KB-5050C(R4750C,R4750C20B208-2)
- Type:KB-5050C(R4750C1007,R4750C1023),The safety Less than 581kW Gas Burner
- Input Voltage:100VAC 50/60Hz
- Input sensor: UV SENSOR(Honeywell C7035A,C7027A,Azbil AUD15C)
- Brand:Pilot Burner
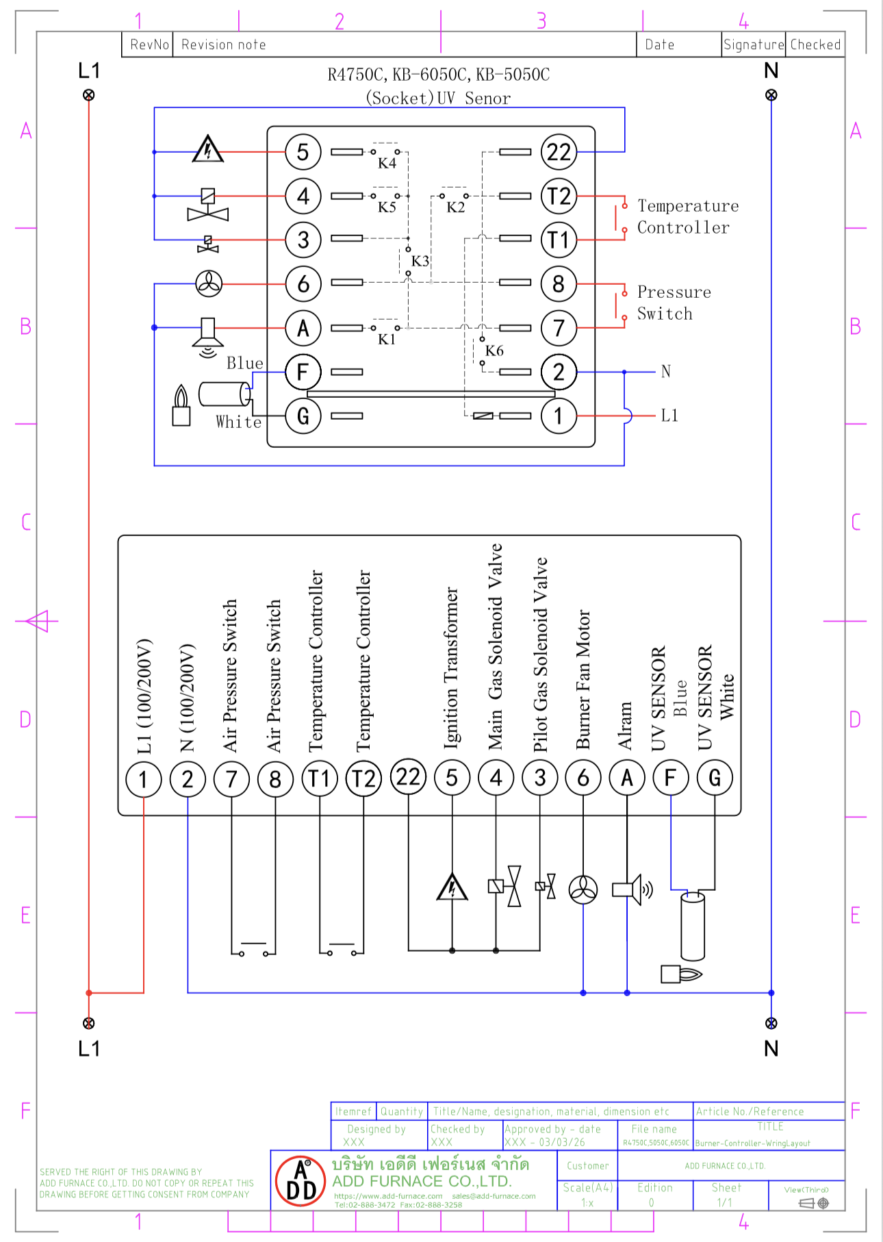
YAMATAHA R4750C and KB-5050C, KB-6050C Wiring Layout
Burner Controller KB-5050,KB-6050取扱説明書- Made in Japan 100%
Related Links:

Origin: Japan 100%
Capacity:197,904Btu/h=49,871Kcal/h
LPG Burner, Two stage Control
Model KG-5(58kW)

Origin: Japan 100%
116kW/h=395,808Btu/h=99,742Kcal/h
LNG Burner, Two stage Control
Model KG-10N(116Kw)

Origin: Japan 100%
Input: 100V 50/60Hz
Signal Check: Flame Rod
Burner Controller KB-5015B

Origin: Japan 100%
Input: 200V 50/60Hz
Signal Check: UV SENSOR
KB-6050C Burner Controller(200V)

Origin: Japan 100%
AC 200V
Pilot Burner
KM603A200

.jpg)

.jpg)
.jpg)
.jpg)
.jpg)
.jpg)
.jpg)
.jpg)
.jpg)